D751-游泳镜盒的注塑模具设计【16+Proe三维动画+模流+工艺】
D747-铁路货车轮对滚动轴承固定式半自动拆卸机设计[含Proe三维图]
D746-台灯外形设计及其灯罩面板模具设计及其仿真[含Proe三维图]
D680-多功能手机后盖模具设计
D523-下导纸板拉手注射模具设计[含三维图]
D517-盖1注塑模具设计
D508-滑动支架注塑模具设计
D507-打印机上导纸板延长板注塑模具设计
D200-外缘翻边圆孔板的冲压模设计
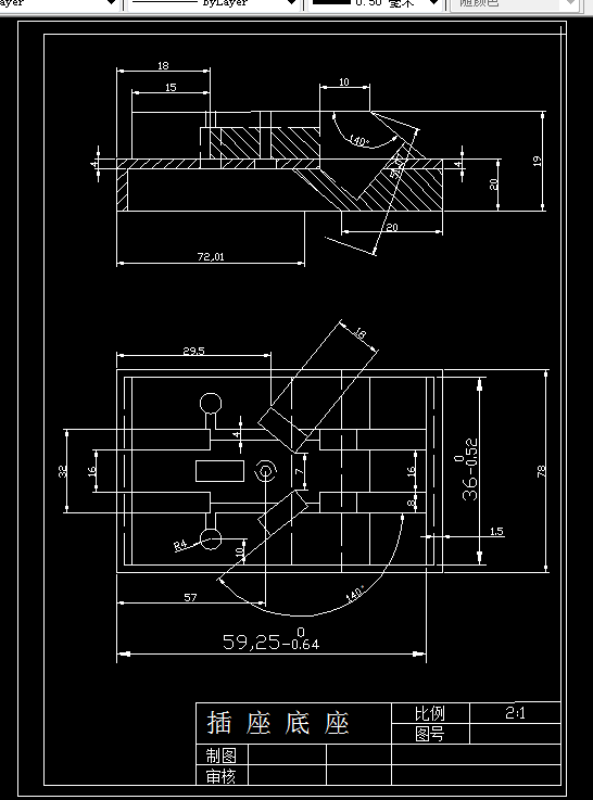
D181-插座底座注塑模具设计
D163-电子钟后盖注塑模具设计
D140-摩托车车架冲压件模具设计
D134-闹钟后盖注塑模具设计
D102-首饰盒塑件塑料注射模具设计
D100-茶杯塑件塑料注射模具设计
D099-折叠伞手柄塑件塑料注射模具设计
D098-香皂盒塑件的塑料注射模具设计
D096-5号电池充电器外壳的塑件注射模设计
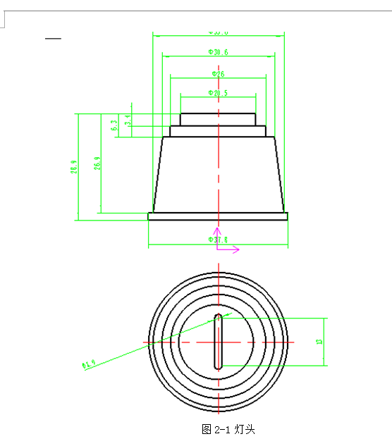
C606-灯头模具设计
C583-表盖压铸模具设计