

作品包括:
Word版说明书1份,共37页,约10000字
工序卡11张
工艺过程卡1张
CAD版本图纸,共5张
SW三维图1套

摘 要
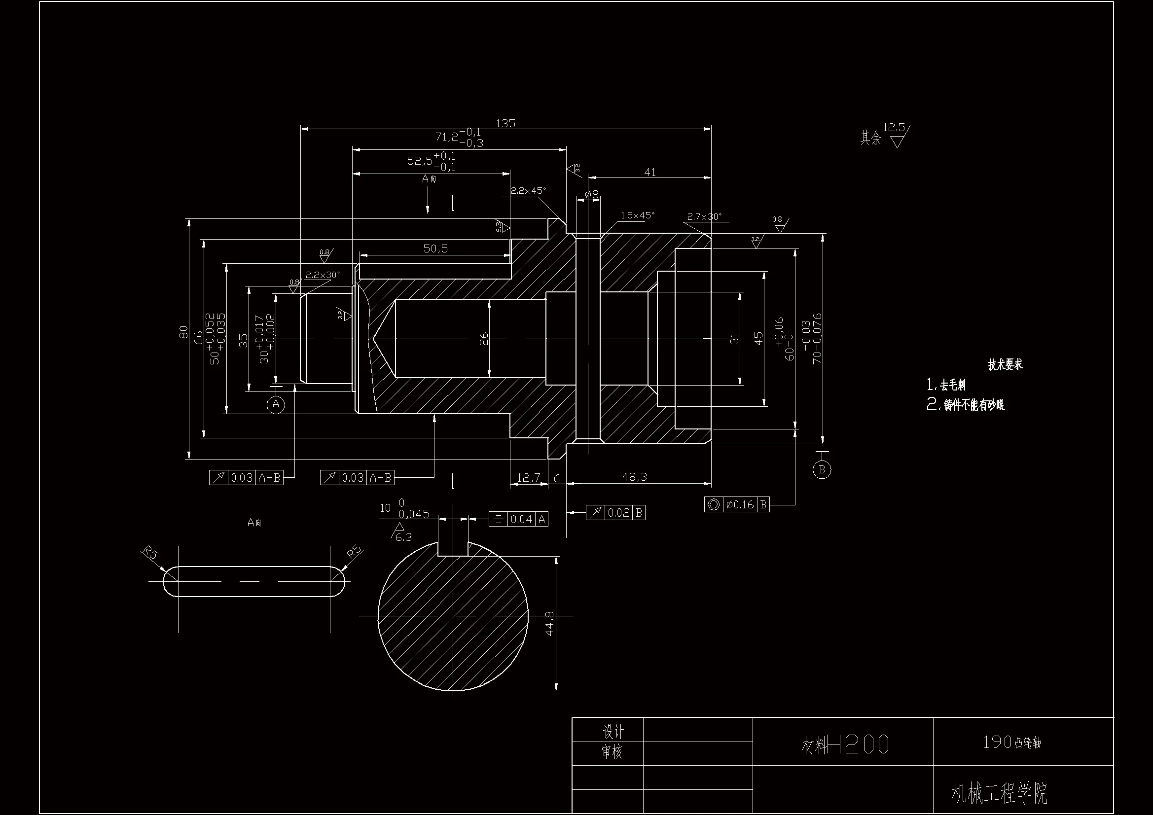
我被分配的任务为CA6140车床套工艺规程及其铣宽5H9槽夹具,从CA6140车床套零件图上可以看出,Ф70上端面、Φ31端面、Ф25H7孔、Ф31孔和Ф70下端面为精度最高的几个地方。而从我的任务书上也可以看出,此所分配的毕业设计大体上分为二部分,第一部分为CA6140车床套工艺设计,主要介绍CA6140车床套的特点及加工;第二部分为铣宽5H9槽夹具部分,此部分主要介绍夹具,包括定位元件、夹紧机构和对刀装置。
虽说整体内容从任务书上分析出来,但整个设计过程也是困难重重,最简单的也就是照着所给图片绘制出CA6140车床套零件图,其他的设计过程刚开始我是一点头绪都没,最后通过资料《机制制造工艺学课程设计指导书》才明白整个设计的顺序步骤,尽而完成整个设计。
关键词:CA6140车床套;工艺设计;钻夹具;铣夹具
目 录
目 录 1
摘 要 1
Abstract 2
第1章 绪论 3
1.1 选题的意义与目的 3
1.2 设计思路与创新思路 3
第2章 工艺规程设计 4
2.1零件分析 4
2.2确定毛坯制定形式 4
2.3基准选择 4
2.3.1精基准选择 4
2.3.2粗基准选择 5
2.4工序内容 5
2.4.1加工设备选择 5
2.4.2工序尺寸及公差 6
2.5 制定工艺路线 9
第3章 切削工时计算 11
3.1工序03 11
3.2工序04 13
3.3工序05 15
3.4工序06 18
3.5工序07 20
3.6工序08 22
3.7工序09 24
3.8工序10 26
3.9工序11 26
3.10工序12 27
3.11工序13 30
第4章 钻Ф7孔夹具 31
4.1设计任务 31
4. 2工件的定位方案分析 31
4.3定位误差分析 32
4.4夹紧方案分析 32
致谢 34
参考文献 35
温馨提示:
1、题目前面的备注【字母数字编号】为本站整理分类的编号,与课题内容无关,请选题时忽视;
2、若题目上备注三维,则表示文件里包含三维源文件,由于三维组成零件数量较多,为保证预览截图的简洁性,本站将三维文件夹进行了打包。三维及CAD预览截图,均为本站电脑打开软件进行截图的,保证能够打开,下载原件超高清,下载后解压即可;
3、本站所有资源如无特殊说明,都需要本地电脑安装Office2007。图纸软件为AutoCAD,PROE,UG,SolidWorks,CATIA等;
4、本站所有图文资料仅供用户学习参考,不作为任何商用或其他用途;
5、本站不保证下载资源的准确性、安全性和完整性, 不包修改,不支持退换,同时也不承担用户因使用这些下载资源对自己和他人造成任何形式的伤害或损失;
6、 下载文件中如有侵权或不适当内容,请与我们联系,我们立即纠正。