

作品包括:
说明书一份,共42页,约13000字
CAD版本图纸,共8张
Proe三维图一份
摘 要
移动机械手是用于处置或销毁爆可疑、危险物品的专用器材,避免不必要的人员伤亡。它可用于多种复杂地形进行移动。此设计的移动机械手可实现回转、上下移动,夹持并且能过坑、越障等动作。
此设计移动方案的选择是采用了履带式驱动结构,而手臂部分则采用关节式机构。结构整体使用模块化设计,以便后续拆卸维修,可以适应于各种复杂的路面,并可主动控制两侧摇臂的转动来调节机器人的运动姿态,从而达到辅助过坑、越障等动作。经过合理的设计后机器人将具有很好的环境适应能力、机动能力并能承受一定的掉落冲击,此设计的移动机构主要由四部分组成:电机的选择、主履带设计、副履带设计、臂部及手腕设计。
本文首先根据课题所给的技术参数和功能要求提出移动机械手车体结构方案,并对方案进行分析。接着,对主要技术参数进行了计算选择;然后,对各主要零部件进行了设计与校核;最后,通过AutoCAD制图软件绘制了移动机械手车体结构装配图及主要零部件图。
关键词:移动机械手;手臂;手腕;同步带
目 录
摘 要 II
Abstract III
第一章 绪论 1
1.1研究背景及意义 1
1.2国内外研究及发展现状 2
第二章 总体方案设计 4
2.1设计参数及功能要求 4
2.1.1设计技术参数 4
2.1.2功能要求 4
2.2方案选定 4
2.2.1车体方案设计 4
2.2.2手臂方案设计 5
2.3原理分析分析 5
2.3.1主要机构工作原理 5
2.3.2运动特性分析 6
2.3.3手臂原理分析 7
第三章 机器人运动分析及主电机的选择 8
3.1运动分析 8
3.1.1跨越台阶 8
3.1.2 跨越沟槽 9
3.3.3 斜坡运动分析 9
3.2主电机的选择 10
第四章 零部件的设计与选择 14
4.1履带(同步带)部分设计 14
4.1.1同步带的选择 14
4.1.2确定主从动轮直径 16
4.1.3确定节线长度 17
4.1.4确定最大功率时带宽 18
4.1.5功率验算 20
4.1.6同步带的物理机械性能 20
4.1.7同步带主从动轮设计 21
4.2副履带(同步带)部分设计 23
4.2.1计算同步带的带宽 24
4.2.2计算H带的基准额定功率 25
4.2.3中心距的选择 25
4.2.4计算同步带节线长度 25
4.2.5车体副履带摇臂设计 26
4.3机械手臂部分设计 26
4.3.1电机的选择 26
4.3.2大、小臂设计 28
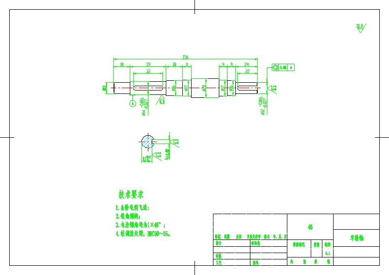
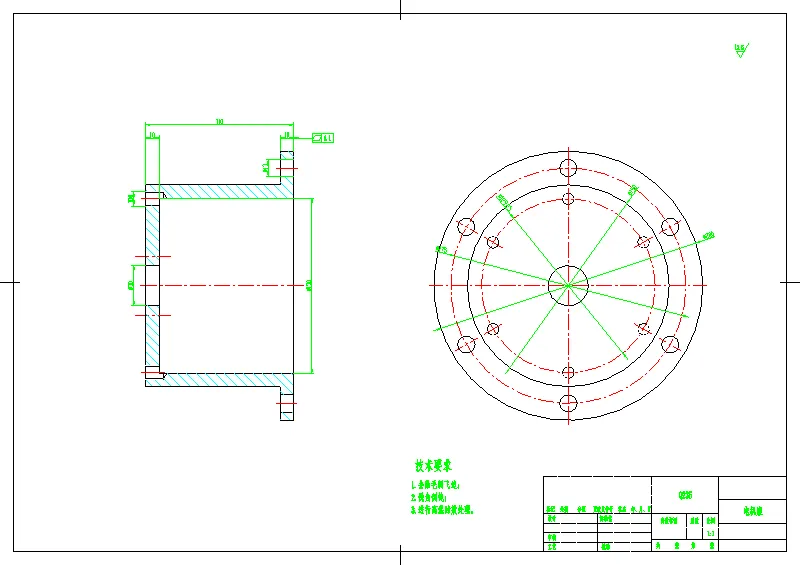
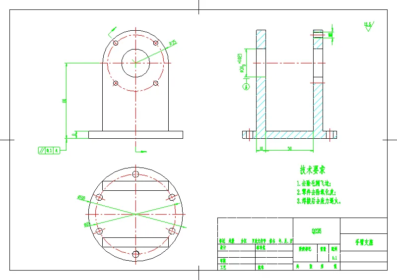
4.3.3手爪、手腕设计 29
第五章 基于Pro/E的三维设计 32
5.1 Pro/E三维设计软件概述 32
5.2三维设计 32
5.2.1车体 32
5.2.2主履带 33
5.2.3副履带 33
5.2.4手臂、手腕 33
5.2.5三维装配 34
总 结 35
参考文献 36
致 谢 37
温馨提示:
1、题目前面的备注【字母数字编号】为本站整理分类的编号,与课题内容无关,请选题时忽视;
2、若题目上备注三维,则表示文件里包含三维源文件,由于三维组成零件数量较多,为保证预览截图的简洁性,本站将三维文件夹进行了打包。三维及CAD预览截图,均为本站电脑打开软件进行截图的,保证能够打开,下载原件超高清,下载后解压即可;
3、本站所有资源如无特殊说明,都需要本地电脑安装Office2007。图纸软件为AutoCAD,PROE,UG,SolidWorks,CATIA等;
4、本站所有图文资料仅供用户学习参考,不作为任何商用或其他用途;
5、本站不保证下载资源的准确性、安全性和完整性, 不包修改,不支持退换,同时也不承担用户因使用这些下载资源对自己和他人造成任何形式的伤害或损失;
6、 下载文件中如有侵权或不适当内容,请与我们联系,我们立即纠正。