

作品包括:
Word版说明书1份,共85页,约40000字
CAD版本图纸,共3张
摘要:在矿山、码头、冶金和化工等行业,广泛使用皮带运输机的皮带配料系统来进行测量和控制速度和物料的流量,皮带配料控制器性能的好坏直接影响到它的动态性能和配料精度。以往人们采用常规的PID控制方式来确定其输出,由于系统的过程参数可能发生变化,常规的PID控制难以整定,因此达不到良好的控制效果。
根据皮带配料系统的特点和原理,采用智能控制中的模糊PID控制方法对其进行研究。在控制过程中,引入模糊控制机理,通过模糊调节,实现PID控制器参数的在线调整,增强了控制系统的稳定性以及对不确定性因素的适应性。
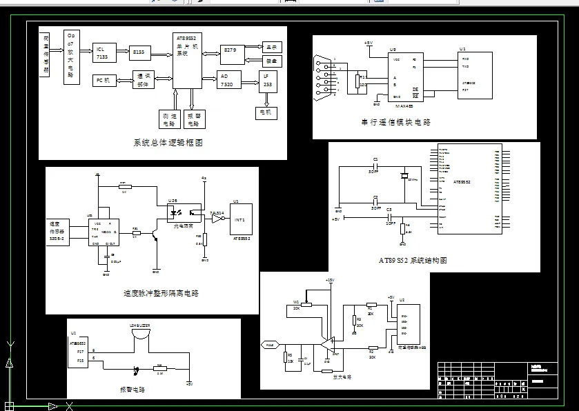
本文对控制器进行了硬件和软件设计,分别介绍了CPU处理模块、数据采集模块、D/A转换模块、键盘显示模块、串行通信模块等硬件电路的设计方法和工作原理,对软件进行结构化分析,详细介绍了软件设计思想和各个功能模块的实现,并编写出相应的程序流程图,进一步增加了系统在硬件和软件两个方面的抗干扰能力的设计,从而使系统具有更好的稳定性。
关键词:皮带配料系统:智能控制;模糊PID控制
目 录
第一章 绪论 ……………………………………………………………………………1
1.1课题的目的和意义 …………………………………………………………1
1.2皮带配料系统的概述 ………………………………………………………1
1.3智能控制的发展和应用 …………………………………………………2
1.4模糊PID控制的产生和现状 ………………………………………………5
1.4.1模糊PID控制的产生 …………………………………………………5
1.4.2模糊PID控制的现状 …………………………………………………6
第二章 皮带配料系统的总体设计方案 …………………………………………8
2.1皮带配料系统的工作原理 …………………………………………………8
2.2控制方案的确定 ………………………………………………………………8
2.3系统的总体实现 ………………………………………………………………9
第三章 皮带配料模糊PID控制器的设计 ………………………………………11
3.1模糊PID控制算法的理论基础 …………………………………………11
3.2.1 PID控制算法的理论基础 ……………………………………………11
3.2.2模糊控制算法的理论基础 ……………………………………………13
3.2皮带配料系统流量的测量 …………………………………………………18
3.3模糊PID控制器的设计 ……………………………………………………19
3.3.1系统输入、输出变量的确定…………………………………………19
3.3.2模糊控制规则的确定 …………………………………………………20
3.3.3模糊推理及模糊决策 …………………………………………………23
第四章 皮带配料控制系统的硬件设计 …………………………………………28
4.1硬件系统组成…………………………………………………………………28
4.1.1 CPU处理模块…………………………………………………………28
4.1.2 数据采集模块…………………………………………………………29
4.1.3 D/A转换模块 …………………………………………………………33
4.1.4键盘显示模块 …………………………………………………………33
4.1.5串行通信模块 …………………………………………………………35
4.1.6测速电路和报警电路…………………………………………………36
4.2硬件抗干扰措施………………………………………………………………38
第五章 皮带配料控制系统的软件设计 …………………………………………40
5.1主程序设计 ……………………………………………………………………40
5.2运行管理程序…………………………………………………………………42
5.3中断服务子程序 ……………………………………………………………44
5.3.1定时器T0中断服务程序 ……………………………………………44
5.3.2外部中断1中断服务程序 …………………………………………45
5.3.3定时器T1中断服务程序 ……………………………………………46
5.3.4A/D中断服务程序 ……………………………………………………46
5.3.5串行通信中断服务程序 ………………………………………………47
5.4软件抗干扰措施 ……………………………………………………………48
第六章结论 ……………………………………………………………………………50
致谢 ………………………………………………………………………………………51
参考文献…………………………………………………………………………………52
外文翻译…………………………………………………………………………………53
温馨提示:
1、题目前面的备注【字母数字编号】为本站整理分类的编号,与课题内容无关,请选题时忽视;
2、若题目上备注三维,则表示文件里包含三维源文件,由于三维组成零件数量较多,为保证预览截图的简洁性,本站将三维文件夹进行了打包。三维及CAD预览截图,均为本站电脑打开软件进行截图的,保证能够打开,下载原件超高清,下载后解压即可;
3、本站所有资源如无特殊说明,都需要本地电脑安装Office2007。图纸软件为AutoCAD,PROE,UG,SolidWorks,CATIA等;
4、本站所有图文资料仅供用户学习参考,不作为任何商用或其他用途;
5、本站不保证下载资源的准确性、安全性和完整性, 不包修改,不支持退换,同时也不承担用户因使用这些下载资源对自己和他人造成任何形式的伤害或损失;
6、 下载文件中如有侵权或不适当内容,请与我们联系,我们立即纠正。