

作品包括:
Word版说明书1份,共46页,约13000字
工序卡14张
工艺过程卡1张
CAD版本图纸,共5张

摘 要
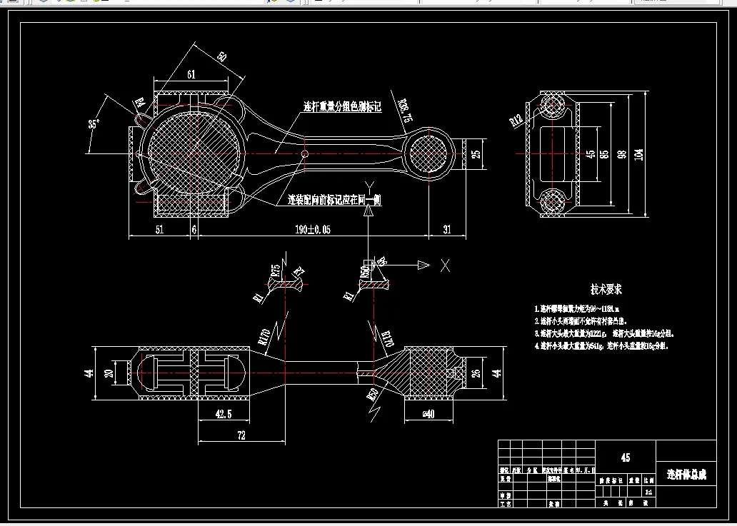
我的设计题目是柴油机连杆机械加工工艺规程及其钻连杆体小头油孔Φ6.5mm、Φ10mm夹具设计,柴油机连杆材料为45钢,壁厚、应力分布均匀。设计分为两部分:柴油机连杆工艺和钻连杆体小头油孔Φ6.5mm、Φ10mm夹具。
由文献[1]得出柴油机连杆毛坯类型及各加工表面毛坯余量,基准、机床、刀具等的选择并进行工时计算,最后编写工艺路线。
夹具选择连杆体小头油孔Φ6.5mm、Φ10mm,设计出夹具并绘制出各非标零件图。夹具设计方案采用柴油机连杆大头孔端面、大头孔和小头孔外圆定位,夹紧则由心轴、快换垫圈和六角法兰面螺母等组成的夹紧机构夹紧工件,导向采用钻模结构。
关键词:柴油机连杆;工艺路线;钻夹具
目 录
摘 要 1
ABSTRACT 2
第 1章 引 言 3
1.1 钻床夹具概况 3
1.2钻床专用夹具的原理与基本组成 3
1.3 工件的安装和定位 3
1.4 课题的研究内容和意义 4
第2章 柴油机连杆工艺分析 5
2.1柴油机连杆作用分析 5
2.2柴油机连杆材料分析 5
2.3 零件的结构分析 5
第3章 柴油机连杆工艺规程 8
3.1 定位基准的选择 8
3.1.1粗基准选择 8
3.1.2精基准选择 8
3.2 制定加工工艺路线 8
3.3 毛坯的制造方法 11
3.4毛坯余量的选择 11
3.5 选择切削用量、确定时间定额 12
第4章 柴油机连杆钻床夹具 40
4.1 问题的提出 40
4.2夹具定位分析 40
4.3 定位误差分析 40
4.4 钻削力和夹紧力计算 41
4.4.1计算钻削力 41
4.4.2计算夹紧力 41
4.5钻模的设计要求 41
4.6钻套的选择 42
参考文献 44
致 谢 45
温馨提示:
1、题目前面的备注【字母数字编号】为本站整理分类的编号,与课题内容无关,请选题时忽视;
2、若题目上备注三维,则表示文件里包含三维源文件,由于三维组成零件数量较多,为保证预览截图的简洁性,本站将三维文件夹进行了打包。三维及CAD预览截图,均为本站电脑打开软件进行截图的,保证能够打开,下载原件超高清,下载后解压即可;
3、本站所有资源如无特殊说明,都需要本地电脑安装Office2007。图纸软件为AutoCAD,PROE,UG,SolidWorks,CATIA等;
4、本站所有图文资料仅供用户学习参考,不作为任何商用或其他用途;
5、本站不保证下载资源的准确性、安全性和完整性, 不包修改,不支持退换,同时也不承担用户因使用这些下载资源对自己和他人造成任何形式的伤害或损失;
6、 下载文件中如有侵权或不适当内容,请与我们联系,我们立即纠正。